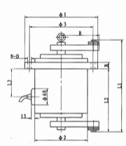
旋振筛专用振动电机一般采用先进的单法兰结构立式振动电机,单法兰结构使得立式振动电机的机壳更加紧凑,简化了整体结构,减小主机外形尺寸,减轻了重量;这样既降低生产成本,又减少立式振动电机所产生的动力内耗,大大提高了立式振动电机激振力的利用率,也提高了旋振筛对物料的处理。同时我们在外观质量、绝缘等级和防护等级方面都在不断提高,使其能更好的适用于各种工作环境。电磁参数的设计满足振动电机的工作特性,使其启动迅速,运行更平稳;轴承选用高性能耐振轴承,密封件采用高性能耐磨橡胶密封圈。电磁部位和轴承温升在立式振动电机长时间连续运行时能得到有效控制,从而大大提高了立式振动电机的使用寿命。
立式振动电机的动力源是由特制的电机外加偏心块组成,立式振动电机通电旋转,带动电机轴两端偏心块,产生惯性激振力,惯性激振力通过立式振动电机的法兰传递给旋振筛,使旋振筛产生水平、垂直、倾斜的三次元运动,通过调节上、下偏心重锤的相位角,改变物料在筛面上的运动轨迹以达到筛分各种物料的目的。精巧的设计,安全可靠的运行性能,使得立式振动电机得到更广泛的运用。


Strictly check the product details we only do excellent products
Treat every minute of product quality harshly